جعبه | سرویس اشتراک ویدیو
  • بارگذاری ویدیو ورود یا ثبت نام
  • صفحه اصلی
  • ویدیو های کوتاه
  • جدیدترین‌ها
  • داغ ترین‌ها
  • پربازدیدترین‌ها
  • درآمدزایی
  • فیلم و سریال رایگان
  • ژانر ها

    • درام
    • ماجراجویی
    • خانوادگی
    • ورزشی
    • وسترن
    • فیلم کوتاه
    • هیجان انگیز
    • جنایی
    • فانتزی
    • بیوگرافی
    • آهنگ
    • مستند
    • استندآپ کمدی
    • اجتماعی
    • کمدی
    • ترسناک
    • علمی تخیلی
    • تاریخی
    • رمانتیک
    • موسیقی
    • انیمیشن کوتاه
    • اکشن
    • عاشقانه
    • انیمیشن
    • جنگی
    • موزیکال
    • معمایی

دسته بندی

  • ورزشی
  • فیلم و سینما
  • آموزشی
  • موسیقی
  • طنز
  • آشپزی
  • پزشکی
  • شخصی
  • حوادث
  • خبری
  • تبلیغات
  • کودک
  • مذهبی
  • سیاسی
  • گردشگری
  • بازی‌
  • بانوان
  • معماری
  • اجتماعی
  • علمی
    کارتون
    خودرو
    فرهنگ و هنر
    نظامی
    مستند
    سرگرمی
    انگیزشی
    حمل و نقل
    متفرقه

دیگر صفحات

  • بلاگ
  • برترین کانال‌ها
  • درباره ما
  • تماس با ما
  • قوانین و مقررات
  • DMCA
sapra sapra
۱۴۰۳© تمام حقوق برای سرویس اشتراک ویديوی جعبه محفوظ می‌‌باشد.

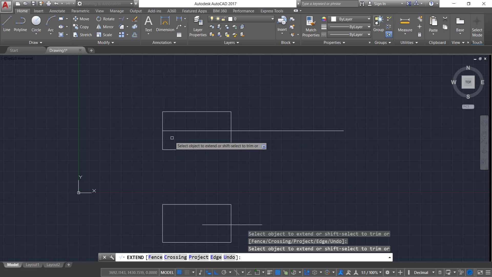
آموزش دستور Extend (امتداد خطوط در اتوکد)

۵ سال پیش
3648 بازدید
دانلود ویدیو

ویدیوی مشابه